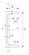
Denom. U.P.N. |
Dimensiones |
Sección |
Peso |
Valores estáticos |
|||||||||
h |
b |
s |
t |
xg |
F |
G |
Jx |
Jy |
Wx |
Wy |
ix |
iy = il |
|
mm |
mm |
mm |
mm |
cm |
cm2 |
kg/m |
cm4 |
cm4 |
cm3 |
cm3 |
cm |
cm |
|
80 |
80 |
45 |
6,0 |
8,0 |
1,45 |
11,0 |
8,6 |
106 |
19,4 |
26,5 |
6,3 |
3,10 |
1,33 |
100 |
100 |
50 |
6,0 |
8,5 |
1,55 |
13,5 |
10,6 |
206 |
29,3 |
41,2 |
8,5 |
3,91 |
1,47 |
120 |
120 |
55 |
7,0 |
9,0 |
1,60 |
17,0 |
13,3 |
364 |
43,2 |
60,7 |
11,1 |
4,63 |
1,59 |
140 |
140 |
60 |
7,0 |
10,0 |
1,75 |
20,4 |
16,0 |
605 |
62,7 |
86,4 |
14,8 |
5,45 |
1,75 |
160 |
160 |
65 |
7,5 |
10,5 |
1,84 |
24,0 |
18,8 |
925 |
85,3 |
115,6 |
18,3 |
6,21 |
1,89 |
180 |
180 |
70 |
8,0 |
11,0 |
1,92 |
28,0 |
21,9 |
1350 |
114,0 |
150,0 |
22,4 |
6,94 |
2,02 |
200 |
200 |
75 |
8,5 |
11,5 |
2,01 |
32,2 |
25,2 |
1910 |
148,0 |
191,0 |
27,0 |
7,70 |
2,14 |
220 |
220 |
80 |
9,0 |
12,5 |
2,14 |
37,4 |
29,3 |
2690 |
197,0 |
244,5 |
33,6 |
8,48 |
2,30 |
240 |
240 |
85 |
9,5 |
13,0 |
2,23 |
42,3 |
33,1 |
3600 |
248,0 |
300,0 |
39,6 |
9,23 |
2,42 |
260 |
260 |
90 |
10,0 |
14,0 |
2,36 |
48,3 |
37,8 |
4820 |
317,0 |
370,0 |
47,7 |
9,99 |
2,56 |
280 |
280 |
95 |
10,0 |
15,0 |
2,53 |
53,3 |
41,8 |
6280 |
399,0 |
448,0 |
57,2 |
10,85 |
2,74 |
300 |
300 |
100 |
10,0 |
16,0 |
2,70 |
58,8 |
46,1 |
8030 |
495,0 |
535,0 |
67,8 |
11,69 |
2,90 |
320 |
320 |
100 |
14,0 |
17,5 |
2,60 |
75,8 |
59,4 |
10870 |
597,0 |
679,0 |
80,6 |
11,98 |
2,81 |
350 |
350 |
100 |
14,0 |
16,0 |
2,40 |
77,3 |
60,6 |
12840 |
570,0 |
733,7 |
75,0 |
12,89 |
2,72 |
380 |
380 |
102 |
13,5 |
16,0 |
2,38 |
80,4 |
63,0 |
15760 |
615,0 |
829,5 |
78,7 |
14,00 |
2,77 |
400 |
400 |
110 |
14,0 |
18,0 |
2,65 |
91,5 |
71,7 |
20350 |
846,0 |
1017,5 |
102,0 |
14,91 |
3,07 |